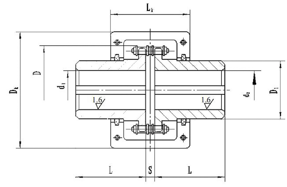
Роликовая цепная муфта типа KC (Q/YL 17032X-2018)

Главная / Продукция / Гибкие муфты с неупругими элементами / Роликовая цепная муфта типа KC (Q/YL 17032X-2018)
Роликовая цепная муфта типа KC (Q/YL 17032X-2018)

Роликовая цепная муфта типа KC (Q/YL 17032X-2018)

Введение: Роликовая цепная муфта KC — это универсальная и надежная механическая соединительная система, предназначенная для передачи крутящего момента между двумя валами с учетом несоосности и крутильных колебаний. Он разработан с учетом высоких требований различных промышленных применений, обеспечивая надежную работу, долговечность и простоту обслуживания.

Основные характеристики:

  • Конструкция роликовой цепи: В качестве основного элемента муфты используется роликовая цепь, обеспечивающая высокую передачу крутящего момента при минимальном люфте. Конструкция роликовой цепи обеспечивает плавную передачу мощности и снижение износа, что увеличивает долговечность муфты.
  • Гибкость: Роликовые цепные муфты KC превосходно компенсируют как угловые, так и параллельные перекосы между соединенными валами. Такая гибкость имеет решающее значение в приложениях, где точное выравнивание затруднено или может быть изменено из-за условий эксплуатации.
  • Гашение крутильных колебаний: Благодаря присущей ему гибкости муфта KC эффективно гасит крутильные колебания, сводя к минимуму нагрузку на соединенные компоненты оборудования и продлевая срок их службы. Эта функция повышает общую надежность системы и снижает требования к техническому обслуживанию.
  • Коррозионная стойкость: Изготовленные из высококачественных материалов, таких как нержавеющая сталь или закаленная сталь, роликовые цепные муфты KC обладают превосходной устойчивостью к коррозии и износу, гарантируя надежную работу даже в суровых условиях эксплуатации.
  • Простота установки и обслуживания: Простая и компактная конструкция муфты облегчает процедуры установки и обслуживания, сокращая время простоя и связанные с этим затраты. Регулярные задачи по техническому обслуживанию обычно включают смазку и периодическую регулировку натяжения цепи.
  • Широкий диапазон размеров и конфигураций: Муфты роликовых цепей KC доступны в различных размерах и конфигурациях для удовлетворения различных требований к крутящему моменту и скорости в различных отраслях и областях применения. Такая адаптируемость делает их пригодными для использования во многих отраслях промышленности, включая обрабатывающую промышленность, горнодобывающую промышленность, сельское хозяйство и производство электроэнергии.

Приложения:

  • Конвейерные системы
  • Промышленные вентиляторы и воздуходувки
  • Насосы и компрессоры
  • Упаковочное оборудование
  • Оборудование для обработки материалов
  • Сельскохозяйственная техника
  • Горнодобывающее оборудование
  • Переработка бумаги и целлюлозы

Заключение: Роликовая цепная муфта KC представляет собой надежное решение для передачи крутящего момента в сложных промышленных условиях. Его инновационная конструкция в сочетании с прочной конструкцией и превосходными эксплуатационными характеристиками делает его предпочтительным выбором для инженеров и специалистов по техническому обслуживанию, ищущих эффективные и надежные решения для соединения своих машин и оборудования. Благодаря своей способности компенсировать несоосность, гасить вибрации и выдерживать суровые условия эксплуатации роликовая цепная муфта KC продолжает играть важную роль в оптимизации производительности и долговечности промышленных систем по всему миру.

  • Роликовая цепная муфта типа KC (Q/YL 17032X-2018)
Параметры продукта
Отправить сообщение
ООО «Технологии Тяжёлой Промышленности
ООО «Технологии Тяжёлой Промышленности "Чжунъе" (Чжэньцзян)»

ООО «Технологии Тяжёлой Промышленности "Чжунъе" (Чжэньцзян)»(Zhongye Heavy Industry Technology (Zhenjiang) Co., Ltd. ) расположено в известном древнем городе Чжэньцзяне. Мы являемся предприятием, объединяющим исследования и разработки, производство и продажи. Наша продукция широко используется в металлургическом оборудовании, горнодобывающем оборудовании, водохозяйственном оборудовании, подъёмно-транспортном оборудовании, бумагоделательном оборудовании, портовом оборудовании и других отраслях.
Основная продукция включает зубчатые муфты, упругие втулочно-пальцевые муфты, упругие пальцевые муфты, зубчатые муфты с упругими штифтами, карданные муфты, шинно-ременные муфты, кулачковые муфты, звёздочковые муфты, мембранные муфты, барабанные муфты и сетчатые муфты, муфты Ольдгема, фланцевые муфты, разъёмные оболочковые муфты, роликово-цепные муфты типа GL, предохранительные муфты и другие. Наша компания также принимает заказы на проектирование и изготовление различных нестандартных муфт.
Новый производственный цех занимает площадь около 16 463,52 м², в том числе тяжёлый цех — 5 500 м², Точность цех — 4 600 м², офисное здание и спортивный зал — 2 000 м², столовая — 500 м², склад — 1 000 м², дороги, озеленение и парковочные зоны — 3 563 м².

Посмотреть больше
Новости и события
ОБНОВЛЕНИЕ НОВОСТЕЙ
  • 2026.03.12
    Как барабанные зубчатые муфты GB повышают эффективность механической трансмиссии и надежность оборудования в тяжелых промышленных условиях?
    В современных промышленных системах надежная передача энергии играет важную роль в обеспечении стабильной работы оборудования. Большим машинам, используемым в таких отраслях, как горнодобывающая промышленность, металлургия, производство цемента и портовые погрузочно-разгрузочные работы, часто требуются компоненты, способные выдерживать большие нагрузки и работать в непрерывном режиме. Среди этих компонентов барабанные зубчатые муфты GB широко используются в системах механической трансмиссии, поскольку они помогают поддерживать эффективность механической трансмиссии, повышают надежность оборудования и отвечают требованиям тяжелых промышленных условий. Барабанная зубчатая муфта соединяет два вращающихся вала и передает крутящий момент между ними. Его конструкция допускает определенную степень смещения, сохраняя при этом эффективную передачу мощности. Поскольку промышленное оборудование часто работает в тяжелых условиях, его способность поддерживать стабильную производительность в течение длительного периода времени высоко ценится. В этой статье рассматривается, как барабанные зубчатые муфты GB способствуют повышению производительности промышленного оборудования, почему они обычно используются в тяжелых условиях и как правильная установка и обслуживание помогают максимизировать их эксплуатационную ценность. Почему эффективность механической трансмиссии важна в промышленном оборудовании? Системы механической трансмиссии отвечают за передачу энергии от двигателей или двигателей к рабочим компонентам машин. Когда системы передачи работают эффективно, оборудование может выполнять задачи с меньшими потерями энергии и более стабильной работой. Муфты, шестерни и валы способствуют этому процессу. В промышленных условиях даже небольшое повышение эффективности механической трансмиссии может помочь снизить потребление энергии и обеспечить более плавную работу машины. Какие факторы влияют на эффективность механической трансмиссии в промышленном оборудовании? Эффективность механической трансмиссии зависит от ряда технических и эксплуатационных факторов. Компоненты системы передачи мощности должны работать бесперебойно, чтобы обеспечить эффективную передачу энергии от источника привода к приводимому оборудованию. На эффективность передачи влияют несколько факторов: Точность механических компонентов, таких как шестерни и муфты. Правильная центровка валов Качество смазки и условия обслуживания Прочность материала и износостойкость При правильном управлении этими факторами промышленное оборудование может работать более эффективно и с меньшим количеством простоев. Зубчатые муфты барабана способствуют этому процессу, обеспечивая прочное и стабильное соединение между вращающимися валами. Как муфты влияют на производительность передачи мощности? Муфты играют центральную роль в промышленных системах передачи энергии. Они соединяют валы, которые передают крутящий момент от двигателей к приводным машинам, таким как конвейеры, дробилки и прокатные станы. Без подходящей муфты передача мощности может стать нестабильной или неэффективной. Зубчатые муфты барабана предназначены для улучшения характеристик трансмиссии за счет поддержания постоянной передачи крутящего момента даже при небольшом перекосе между валами. Их вклад в производительность передачи включает в себя: Стабильная передача крутящего момента между соединенными валами Снижение нагрузки на подшипники и другие компоненты. Адаптивность к небольшому смещению в механических системах Улучшена общая устойчивость машины. Из-за этих характеристик барабанные зубчатые муфты часто выбирают для оборудования, требующего надежной и непрерывной работы. Почему барабанные зубчатые муфты используются в системах с высоким крутящим моментом? Системы передачи с высоким крутящим моментом требуют муфт, которые могут выдерживать большие нагрузки без ущерба для устойчивости. Зубчатые муфты барабана хорошо подходят для таких применений благодаря своей конструкции. Зубья шестерни барабанной формы обеспечивают большую гибкость при компенсации смещения вала, сохраняя при этом большую поверхность контакта между зубьями шестерни. Такая структура помогает более равномерно распределять нагрузку. К преимуществам барабанных зубчатых муфт в высокомоментных системах относятся: Сильная несущая способность Способность справляться с передачей большого крутящего момента Повышенная устойчивость к перекосу вала. Стабильная работа в тяжелых условиях эксплуатации. Эти характеристики делают их практичным решением в промышленном оборудовании, требующем надежной механической трансмиссии. Как барабанные зубчатые муфты GB обеспечивают надежность оборудования? В тяжелых промышленных условиях надежность оборудования имеет важное значение. Машины часто работают непрерывно в течение длительного времени, а неожиданные простои могут нарушить производственные графики и увеличить затраты на техническое обслуживание. Поэтому конструкция и качество компонентов трансмиссии играют важную роль в поддержании стабильной работы. Высокопроизводительные системы муфт помогают обеспечить плавную передачу крутящего момента, одновременно снижая риск механического отказа, вызванного несоосностью, вибрацией или тяжелыми нагрузками. Зубчатые муфты барабана GB повышают надежность оборудования, обеспечивая прочное и гибкое соединение между вращающимися валами. Их зубчатая конструкция обеспечивает передачу высокого крутящего момента, компенсируя при этом определенную степень углового, радиального и осевого смещения между подключенным оборудованием. Такая гибкость снижает нагрузку на подключенное оборудование и помогает продлить срок службы как муфты, так и окружающих компонентов. Кроме того, зубчатые муфты барабана GB обычно изготавливаются из высокопрочной легированной стали и подвергаются точной механической и термической обработке. Эти технологии производства повышают износостойкость, несущую способность и долговечность даже в тяжелых промышленных условиях. Конструкция шестерни в форме барабана также улучшает распределение нагрузки на зубья шестерни, сводя к минимуму локальный износ и обеспечивая более плавную передачу мощности. Благодаря этим преимуществам барабанные зубчатые муфты GB широко используются в тяжелом оборудовании, таком как прокатные станы, горнодобывающее оборудование, конвейеры, краны и другие крупные промышленные системы. Их способность надежно работать при высоких нагрузках, ударных условиях и непрерывной работе делает их надежным выбором для отраслей, где производительность оборудования и стабильность работы имеют решающее значение. Какие конструктивные особенности повышают надежность оборудования? Конструктивная конструкция зубчатых муфт барабана помогает им эффективно работать в сложных условиях. Их изогнутые зубья шестерен увеличивают площадь контакта между сопрягаемыми шестернями, позволяя распределять нагрузки по более широкой поверхности. К основным структурным особенностям относятся: Изогнутые зубья шестерни в форме барабана. Большая несущая площадь контакта Высокопрочная стальная конструкция Устойчивость к механическим воздействиям и износу Эти функции помогают снизить локализованное напряжение внутри муфты и обеспечить долговременную надежность в промышленном применении. Как зубчатые муфты уменьшают вибрацию и несоосность оборудования? Во многих промышленных машинах сложно поддерживать идеальное соосность валов из-за теплового расширения, изменений нагрузки или условий установки. Поэтому муфты должны выдерживать небольшие отклонения, не передавая чрезмерную нагрузку на другие компоненты. Зубчатые муфты барабана помогают справиться с этой задачей, обеспечивая контролируемую гибкость трансмиссионной системы. Их преимущества включают в себя: Компенсация осевого, радиального и углового смещения Снижение вибрации, передаваемой между соединенными валами. Более плавная работа машины Снижение риска преждевременного износа компонентов Поддерживая сбалансированную передачу мощности, эти муфты способствуют более стабильной работе оборудования. Как правильная смазка увеличивает срок службы муфты? Смазка играет жизненно важную роль в поддержании работоспособности зубчатых муфт. Взаимодействие между зубьями шестерни создает трение, которое может постепенно привести к износу, если смазки недостаточно. Правильная смазка дает ряд преимуществ: Уменьшение трения между зубьями шестерни. Защита металлических поверхностей от износа Улучшенный отвод тепла во время работы. Увеличенный срок службы муфты Регулярное техническое обслуживание смазки гарантирует бесперебойную работу зубчатых муфт барабана в системе трансмиссии. Что делает барабанные зубчатые муфты подходящими для промышленного применения в тяжелых условиях? Промышленное оборудование, используемое в таких секторах, как горнодобывающая и сталелитейная промышленность, должно выдерживать большие нагрузки и непрерывную работу. Зубчатые муфты барабана предназначены для работы в таких сложных условиях, сохраняя при этом стабильную механическую трансмиссию. В каких отраслях промышленности обычно используются барабанные зубчатые муфты? Барабанные зубчатые муфты широко используются в отраслях, где оборудование работает с высоким крутящим моментом и большими нагрузками. Их прочная конструкция делает их подходящими для больших механических систем. Общие отрасли применения включают: Металлургическое оборудование, такое как прокатные станы Горное оборудование, включая дробилки и конвейеры Системы производства цемента Портовое перегрузочное оборудование и краны Энергетическое оборудование Эти отрасли требуют надежных компонентов трансмиссии, которые могут эффективно работать в тяжелых условиях эксплуатации. Как зубчатые муфты барабана выдерживают большие нагрузки и высокий крутящий момент? Способность выдерживать высокий крутящий момент является одним из основных преимуществ барабанных зубчатых муфт. Конструкция зубьев шестерни позволяет им передавать большие усилия, сохраняя при этом стабильную работу. Эта возможность достигается за счет: Прочные легированные стальные материалы Оптимизированная геометрия зубьев шестерни. Равномерное распределение передаваемых нагрузок Структурная стойкость к механической усталости Эти конструктивные характеристики помогают гарантировать надежную работу зубчатых муфт барабана в тяжелых промышленных условиях. Как промышленные стандарты влияют на конструкцию муфт? Промышленные стандарты помогают обеспечить совместимость, безопасность и производительность механических компонентов. Стандарт GB содержит спецификации конструкции и размеров зубчатых муфт барабана, используемых в промышленном оборудовании. Стандартизация дает несколько преимуществ: Постоянное качество и надежность продукции Взаимозаменяемость между совместимыми компонентами Упрощенные процессы обслуживания и замены Поддержка крупномасштабных систем промышленного оборудования Следуя стандартизированным конструкциям, производители могут создавать муфты, которые легко интегрируются с широким спектром оборудования. Как правильная установка и обслуживание могут улучшить производительность? Даже высококачественные муфты требуют правильной установки и обслуживания для достижения оптимальной производительности. Правильная установка гарантирует, что муфта будет работать в предусмотренных механических пределах. Каковы основные этапы установки зубчатых муфт барабана? Правильная установка – первый шаг к обеспечению стабильной работы зубчатой ​​муфты. Технические специалисты должны тщательно выровнять валы и закрепить компоненты муфты. Основные этапы установки включают в себя: Проверка валов и компонентов муфт перед установкой Обеспечение правильной центровки валов. Правильное крепление болтов и крепежных компонентов Нанесение соответствующей смазки Внимание к этим шагам помогает обеспечить эффективную работу муфты в системе механической трансмиссии. Как часто следует проверять зубчатые муфты? Регулярные проверки важны для поддержания надежности промышленного оборудования. В ходе осмотров технические специалисты проверяют состояние муфты и ее системы смазки. Инспекционная деятельность обычно включает в себя: Проверка зубьев шестерни на предмет износа и повреждений Контроль уровня смазки Проверка затяжки болтов Обеспечение правильной соосности соединяемых валов. Регулярные проверки помогают выявить потенциальные проблемы до того, как они повлияют на работу оборудования. Как профилактическое обслуживание может сократить время простоя оборудования? Профилактическое обслуживание направлено на выявление и устранение мелких проблем до того, как они перерастут в более серьезные проблемы. В промышленном оборудовании этот подход помогает поддерживать согласованность производственных операций. Практика профилактического обслуживания включает в себя: Плановое обслуживание смазки Периодические проверки компонентов Своевременная замена изношенных деталей Мониторинг вибрации и производительности оборудования Эти методы поддерживают долгосрочную надежность оборудования и помогают минимизировать непредвиденные простои. Каковы будущие тенденции развития промышленных зубчатых муфт? Промышленное оборудование продолжает развиваться по мере того, как производственные процессы становятся более совершенными. Технология зубчатых муфт также развивается с учетом меняющихся промышленных требований. Как новые материалы улучшают характеристики муфты? Технология материалов играет важную роль в повышении долговечности и производительности муфт. В современных муфтах часто используются современные легированные стали и процессы термообработки. К преимуществам улучшенных материалов относятся: Более высокая прочность и грузоподъемность Повышенная устойчивость к износу Более длительный срок службы Повышенная надежность в тяжелых условиях эксплуатации. Эти разработки позволяют муфтам поддерживать все более требовательное промышленное оборудование. Как прецизионное производство повышает эффективность трансмиссии? Прецизионные методы производства помогают обеспечить точную геометрию зубьев шестерни и более плавное механическое взаимодействие между компонентами. Улучшение производственных процессов способствует: Уменьшение трения между зубьями шестерни. Более эффективная передача крутящего момента Более низкий уровень вибрации во время работы Повышенная эффективность механической трансмиссии Эти улучшения повышают общую производительность промышленных систем передачи. Какую роль будут играть зубчатые муфты в современных промышленных системах? Поскольку промышленные системы продолжают расширяться в размерах и сложности, надежные компоненты передачи остаются важными. Зубчатые муфты будут продолжать поддерживать механические системы, требующие сильной передачи крутящего момента и эксплуатационной стабильности. Их роль в современных промышленных системах включает: Поддержка тяжелого промышленного оборудования Поддержание стабильной передачи мощности Вклад в надежность оборудования Поддержка разработки современного промышленного оборудования Сравнительная таблица: зубчатая муфта барабана и муфты других типов Особенность Барабанная зубчатая муфта Гибкая муфта Жесткая муфта Крутящий момент Высокий Средний Высокий Компенсация несоосности Хорошо Хорошо Ограниченный Долговечность при тяжелых нагрузках Подходит для тяжелых условий эксплуатации Умеренный Высокий but rigid Эффективность механической трансмиссии Стабильный Умеренный Стабильный but sensitive to alignment Типичные применения Горнодобывающая, металлургическая, цементная Насосы, компрессоры Прецизионные валы Сочетая в себе прочную конструкцию, высокий крутящий момент и гибкость при перекосе валов, зубчатые муфты GB играют важную роль в поддержании эффективности механической трансмиссии, повышении надежности оборудования и поддержке тяжелых промышленных условий. При правильной установке, смазке и обслуживании эти муфты продолжают служить ключевыми компонентами современного промышленного оборудования. Американская ассоциация производителей зубчатого оборудования (AGMA). (2021). Руководство по проектированию и применению зубчатых муфт. ИСО – Международная организация по стандартизации. (2020). Стандарты на компоненты механической передачи энергии и муфты. Справочник машиниста. (2022). Передача мощности и механические компоненты. Промышленная пресса. Шигли, Дж. Э., Будинас, Р. Г. и Нисбетт, Дж. К. (2020). Машиностроительное проектирование. Макгроу-Хилл Образование.
  • 2026.03.05
    Что такое зубчатые муфты и как они работают?
    Как работает зубчатая муфта в системах механической передачи энергии? Механизм передачи крутящего момента с зубчатой муфтой Зубчатая муфта Функционирует как механическое устройство, предназначенное для передачи крутящего момента между двумя вращающимися валами, допуская при этом определенную степень несоосности. В системах механической передачи мощности крутящий момент, создаваемый первичным двигателем, таким как электродвигатель, турбина или двигатель, должен эффективно передаваться на приводное оборудование, такое как насосы, компрессоры, конвейеры и промышленные вентиляторы. Технология зубчатых муфт позволяет осуществлять эту передачу с высоким крутящим моментом и механической надежностью. working mechanism of a gear coupling is based on the interaction between внешние зубья шестерни на хабе и внутренние зубья шестерни внутри рукава. Зубья этих шестерен сцепляются друг с другом так же, как и обычные шестерни, но их основная функция не заключается в изменении скорости или направления вращения. Вместо этого они создают гибкое механическое соединение, способное передавать вращательное усилие, обеспечивая при этом ограниченное движение между соединенными валами. При вращении ведущего вала крутящий момент передается через ступицу, установленную на валу. Ступица содержит внешние зубья шестерни, которые входят в зацепление с внутренними зубьями муфты сцепления. Когда ступица вращается, зацепляющиеся зубья шестерни передают крутящий момент на втулку. Затем втулка передает энергию вращения ступице, соединенной с ведомым валом. Постоянное зацепление зубьев шестерни позволяет крутящему моменту передаваться от входного вала к выходному валу с минимальными потерями энергии. efficiency of torque transmission in gear couplings is influenced by several design characteristics, including tooth geometry, surface hardness, lubrication conditions, and contact area. Crowned gear teeth are commonly used to enhance performance and reduce localized stress concentrations. The crown shape allows the teeth to maintain proper contact even when slight shaft misalignment occurs. Поскольку нагрузка распределяется по нескольким зубьям шестерни одновременно, зубчатые муфты способны передавать очень высокие значения крутящего момента по сравнению со многими другими типами гибких муфт. Контакт с несколькими зубьями снижает нагрузку на каждый отдельный зуб, повышая долговечность и срок службы. Этот принцип конструкции особенно выгоден в тяжелой промышленности, где часто встречаются высокие крутящие моменты и ударные нагрузки. Еще одним важным фактором передачи крутящего момента является смазка. Зубчатые муфты обычно работают с консистентной или масляной смазкой, чтобы уменьшить трение между зацепляющимися зубьями шестерни. Правильная смазка минимизирует износ, предотвращает перегрев и обеспечивает плавное вращательное движение. Без надлежащей смазки зубья шестерни могут подвергаться ускоренному износу, образованию точечной коррозии или задиров, что может ухудшить эксплуатационные характеристики муфты. torque capacity of a gear coupling can be described by the mechanical relationship between torque, force, and radius. T = F × r. В этом соотношении крутящий момент создается, когда тангенциальная сила прикладывается на определенном радиусе от центра вращения. В зубчатых муфтах зубья шестерни образуют контактные поверхности, на которых тангенциальная сила передается от одного вращающегося компонента к другому. В высокопроизводительных системах передачи мощности зубчатые муфты рассчитаны не только на постоянный крутящий момент, но и на переменные нагрузки, реверсивное вращение и кратковременные ударные нагрузки. Их прочная конструкция и большая площадь контакта делают их особенно подходящими для применений, где надежность и долговечность имеют решающее значение. Принцип компенсации перекоса зубчатой муфты Одной из определяющих особенностей зубчатой муфты является ее способность компенсировать перекос валов, сохраняя при этом эффективную передачу крутящего момента. В реальных механических системах идеальное выравнивание валов редко достижимо из-за допусков при установке, теплового расширения, структурных отклонений и динамических нагрузок во время работы. Зубчатые муфты специально разработаны для компенсации этих условий. Несоосность во вращающихся машинах обычно встречается в трех основных формах: угловое смещение, параллельное смещение и осевое смещение. Зубчатые муфты могут компенсировать угловое смещение за счет геометрии корончатых зубьев шестерни. Корончатый профиль позволяет зубьям сохранять контакт, даже если валы не идеально выровнены. Вместо контакта по всей поверхности зуба нагрузка смещается на коронку, сохраняя зацепление и одновременно снижая нагрузку на кромку. Параллельное смещение, также известное как смещение смещения, возникает, когда осевые линии двух валов параллельны, но не лежат на одной прямой. Хотя зубчатые муфты более терпимы к угловому смещению, чем к параллельному смещению, они все же могут выдерживать умеренное смещение за счет перемещения втулки относительно ступиц. Осевое смещение возникает, когда расстояние между двумя валами изменяется во время работы. Например, тепловое расширение может привести к удлинению валов при повышении температуры. Зубчатые муфты допускают ограниченное осевое перемещение внутри втулки для компенсации этих изменений без передачи чрезмерных осевых усилий на подключенное оборудование. crowned gear tooth design is critical to the misalignment compensation capability of gear couplings. The crown shape reduces the risk of tooth edge loading, which could otherwise lead to premature wear or failure. By distributing the load across the curved tooth surface, the coupling maintains smooth torque transmission even when minor misalignment occurs. Еще одним фактором, способствующим компенсации несоосности, является зазор между зубьями ступицы и зубьями втулки. Этот зазор обеспечивает необходимую свободу относительного движения, сохраняя при этом адекватное зацепление зубов. Инженеры тщательно балансируют зазор и площадь контакта, чтобы добиться гибкости и высокого крутящего момента. Компенсация смещения также снижает нагрузку на подключенные компоненты оборудования, такие как подшипники и валы. Без гибкого соединительного механизма силы смещения будут напрямую передаваться на механическую систему, что может привести к вибрации, износу подшипников и усталости вала. Зубчатые муфты действуют как механический буфер, который поглощает и перераспределяет эти напряжения. Во многих тяжелых промышленных условиях условия несоосности динамически меняются из-за изменений нагрузки и колебаний температуры. Зубчатые муфты могут постоянно адаптироваться к этим изменениям во время работы, обеспечивая стабильную работу даже в сложных условиях. Распределение нагрузки зубчатой муфты и поведение при контакте зубьев load distribution characteristics of gear couplings play a critical role in their ability to transmit high torque efficiently. When torque is applied to the coupling, multiple gear teeth engage simultaneously, sharing the load across the entire circumference of the coupling interface. This multi-tooth contact significantly reduces the stress experienced by individual teeth. load path begins at the driving hub, where torque is applied from the rotating shaft. The gear teeth on the hub engage with the internal teeth of the sleeve. As rotational force is applied, the teeth transmit tangential forces along the pitch circle of the coupling. Because several teeth are engaged at the same time, the total load is distributed rather than concentrated. contact behavior between gear teeth is influenced by factors such as tooth profile accuracy, surface finish, material hardness, and lubrication quality. Precision machining ensures that the gear teeth mesh smoothly without excessive backlash or interference. High-quality surface finishes reduce friction and improve the efficiency of torque transmission. Помимо тангенциальных сил, зубья шестерен во время работы испытывают также радиальные и осевые силы. Радиальные силы возникают в результате контактного давления между зацепляющимися зубьями, тогда как осевые силы могут возникать из-за несоосности или осевого перемещения валов. Конструктивная конструкция муфты должна учитывать эти силы, не вызывая чрезмерной деформации или износа. Выбор материала – еще один важный фактор, влияющий на распределение нагрузки. Компоненты зубчатых муфт обычно изготавливаются из высокопрочных легированных сталей, которые подвергаются процессам термообработки, таким как цементация или индукционная закалка. Эти обработки повышают твердость поверхности, сохраняя при этом прочность сердцевины, позволяя зубам выдерживать повторяющиеся циклы нагрузки. Картины поверхностного контакта тщательно анализируются на этапах проектирования и испытаний зубчатых муфт. Инженеры исследуют распределение контакта по поверхности зуба, чтобы убедиться, что нагрузка распределяется равномерно. Неравномерность контакта может указывать на несоосность, производственные ошибки или недостаточную смазку. Условия динамической нагрузки дополнительно влияют на контактное поведение зубьев. В таких приложениях, как прокатные станы, горнодобывающее оборудование и морские силовые установки, крутящие нагрузки могут быстро меняться. Зубчатые муфты предназначены для работы в таких динамических условиях, обеспечивая стабильное зацепление зубьев даже при значительном изменении крутящего момента. interaction between gear teeth also produces sliding motion along the contact surfaces. This sliding action requires effective lubrication to prevent metal-to-metal contact. Grease or oil lubricants form a protective film that reduces friction and dissipates heat generated during operation. combination of multi-tooth engagement, hardened materials, and controlled lubrication enables gear couplings to achieve exceptional torque capacity and long operational life. Their ability to distribute loads effectively makes them one of the most reliable coupling solutions for demanding industrial environments. Динамические характеристики зубчатой муфты во вращающихся машинах Зубчатые муфты работают в сложных вращающихся системах машин, где динамические силы влияют на общую производительность. По мере увеличения скорости вращения центробежные силы, вибрация и динамическое смещение становятся более значимыми факторами, влияющими на поведение муфты. При более высоких скоростях вращения на компоненты муфты, особенно на втулку и смазочную среду, действует центробежная сила. Эта сила может перераспределить смазку внутри корпуса муфты, потенциально влияя на эффективность смазки. Правильная конструкция уплотнений и смазки обеспечивает равномерное распределение смазки по зубьям шестерни. Вращательная динамика также вносит в систему вибрацию. Вибрация может возникать из-за дисбаланса вращающихся компонентов, несоосности или колебаний крутящих моментов. Зубчатые муфты должны сохранять стабильное зацепление зубьев, несмотря на эти динамические условия. Конструкция зубьев с коронкой помогает компенсировать небольшое движение, сохраняя при этом постоянную передачу крутящего момента. mass and inertia of the coupling also influence system dynamics. Larger couplings with greater mass may affect the natural frequency of the rotating system. Engineers must consider these factors when selecting a coupling to avoid resonance conditions that could lead to excessive vibration. rmal effects further contribute to dynamic performance. As machinery operates, friction and environmental conditions generate heat within the coupling. Thermal expansion can alter shaft alignment and coupling dimensions. Gear couplings accommodate these changes through their flexible tooth engagement and axial movement capability. В тяжелых условиях эксплуатации, таких как сталелитейные заводы, электростанции и морские силовые установки, зубчатые муфты часто подвергаются ударным нагрузкам и внезапному изменению крутящего момента. Их прочная конструкция позволяет им поглощать эти нагрузки без повреждения конструкции. Распределенная нагрузка на несколько зубов помогает предотвратить локальное перенапряжение. dynamic behavior of gear couplings is often evaluated using advanced simulation tools such as finite element analysis and dynamic modeling. These analyses help engineers predict stress distribution, vibration characteristics, and fatigue life under various operating conditions. Таким образом, зубчатые муфты играют решающую роль в поддержании стабильности систем механической передачи энергии. Их способность надежно работать в динамических условиях гарантирует эффективную работу промышленного оборудования даже в сложных условиях. Каковы основные компоненты зубчатой ​​муфты и как они функционируют? А Зубчатая муфта представляет собой механическое устройство, используемое для соединения двух вращающихся валов для эффективной передачи крутящего момента в промышленном оборудовании. Конструкция зубчатой ​​муфты спроектирована так, чтобы выдерживать высокие крутящие нагрузки, компенсировать перекос валов и поддерживать стабильную передачу мощности в сложных условиях эксплуатации. Внутренняя архитектура зубчатой ​​муфты состоит из нескольких прецизионных компонентов, которые взаимодействуют друг с другом, обеспечивая надежную передачу крутящего момента, контролируемую гибкость и длительный срок службы в механических системах, работающих в тяжелых условиях. Каждый компонент зубчатой ​​муфты выполняет определенную механическую функцию в узле передачи мощности. Сочетание ступиц, втулок, зубьев шестерни, уплотнений, систем смазки и крепежных деталей создает надежный соединительный механизм, способный работать при высоких нагрузках, изменяющемся крутящем моменте и непрерывном вращательном движении. На конструкцию этих компонентов влияют такие факторы, как допустимый крутящий момент, размер вала, скорость вращения, допуск на перекос, требования к смазке и условия окружающей среды, обычно встречающиеся в промышленном оборудовании. Структура ступицы зубчатой муфты и механическая роль hub is one of the primary structural elements of a gear coupling. It serves as the direct connection between the rotating shaft and the coupling assembly. Each gear coupling typically includes two hubs, with one hub mounted on the driving shaft and the other mounted on the driven shaft. These hubs are responsible for transmitting rotational motion from the shafts into the coupling mechanism. outer surface of the hub contains внешние зубья шестерни , которые точно обработаны для зацепления с внутренними зубьями муфты сцепления. Эти зубья шестерни образуют основной интерфейс передачи крутящего момента в системе сцепления. При вращении ведущего вала одновременно вращается ступица, а внешние зубья шестерни передают крутящий момент посредством контакта с внутренними зубьями втулки. Ступицы зубчатых муфт обычно изготавливаются из высокопрочных легированных сталей, способных выдерживать высокие механические нагрузки и повторяющиеся циклы напряжений. Процессы термообработки, такие как цементация, индукционная закалка или азотирование, часто применяются для повышения твердости поверхности и износостойкости. Эти обработки увеличивают долговечность зубьев шестерен, сохраняя при этом достаточную прочность сердечника ступицы, чтобы противостоять растрескиванию или усталостному разрушению. hub bore is machined to match the shaft diameter and may include a шпоночный паз , сплайновый интерфейс или посадка с натягом в зависимости от проектных требований. Шпоночное соединение — один из наиболее распространенных методов крепления ступицы к валу. Шпонка передает крутящий момент между валом и ступицей, предотвращая относительное вращение. Правильное выравнивание и надежная установка ступицы имеют решающее значение для работы всей системы зубчатых муфт. Любая неплотность или неправильная посадка между ступицей и валом может привести к вибрации, неравномерному распределению нагрузки или преждевременному износу компонентов. По этой причине процедуры установки обычно включают точную подготовку вала, точную установку шпонки и контролируемую затяжку удерживающих элементов. В тяжелых промышленных условиях, таких как горнодобывающие конвейеры, прокатные станы, судовые силовые установки и энергетическое оборудование, ступицы зубчатых муфт должны выдерживать чрезвычайно высокие крутящие нагрузки, сохраняя при этом стабильное механическое зацепление с валом. Втулка зубчатой муфты и внутренний интерфейс шестерни sleeve, sometimes referred to as the муфта зубчатой муфты или соединительная оболочка , является центральным компонентом, который соединяет две ступицы внутри узла муфты. Внутренняя поверхность втулки содержит внутренние зубья шестерни которые входят в зацепление с внешними зубьями на каждой ступице. sleeve functions as the torque transfer bridge between the driving hub and the driven hub. When the driving hub rotates, its gear teeth engage with the internal teeth of the sleeve, causing the sleeve to rotate. The rotating sleeve then transmits torque to the second hub, which drives the connected shaft. внутренние зубья шестерни of the sleeve are typically designed with a slightly larger profile than the external hub teeth to allow proper meshing and controlled clearance. This clearance is necessary to accommodate shaft misalignment and axial movement during operation. Втулки зубчатой муфты часто изготавливаются как сборка из двух частей или a цельный рукав в зависимости от конструкции муфты. Двухкомпонентные втулки облегчают установку и обслуживание, особенно в крупных промышленных системах, где разборка подключенного оборудования может быть затруднена. Конструкция разъемной втулки позволяет техническим специалистам снимать или заменять втулку, не нарушая крепления ступицы на валах. В высокопроизводительных зубчатых муфтах внутренние зубья шестерен подвергаются прецизионной обработке, что обеспечивает точную схему контакта и плавное вращательное движение. Для улучшения геометрии зубьев и уменьшения трения между зацепляющимися поверхностями можно применять процессы отделки поверхности, такие как шлифование или хонингование. sleeve must also withstand significant radial and tangential forces generated by torque transmission. As torque increases, the contact pressure between the hub teeth and sleeve teeth also increases. Therefore, the sleeve is typically constructed from hardened alloy steel capable of resisting wear, deformation, and fatigue under continuous load conditions. Во многих конструкциях зубчатых муфт втулка также служит смазочная камера . Смазка или масло содержится внутри полости втулки, чтобы гарантировать, что зубья зацепляющейся шестерни остаются должным образом смазанными во время работы. Внутренний объем втулки позволяет смазке циркулировать по поверхностям зубьев шестерни при вращении муфты. Геометрия зубьев корончатой шестерни зубчатой муфты geometry of the gear teeth plays a crucial role in the mechanical performance of a gear coupling. Unlike standard gear systems used for speed reduction or motion transmission, gear coupling teeth are specifically designed to accommodate shaft misalignment while maintaining consistent torque transfer. external teeth on the hubs are typically designed with a коронованный профиль Это означает, что поверхность зуба имеет слегка изогнутую форму вдоль своей осевой длины. Такая форма коронки позволяет зубьям шестерни сохранять контакт, даже если валы не идеально выровнены. Когда между двумя валами возникает угловое смещение, зубья корончатой ​​шестерни смещают точку контакта вдоль изогнутой поверхности, а не концентрируют напряжение на краях зубьев. Такая конструкция снижает концентрацию локализованных напряжений и предотвращает нагрузку на кромку, которая может привести к повреждению зуба. crowned tooth design also allows the coupling to accommodate minor axial movement between shafts. Thermal expansion, load variations, and structural deflection can cause shafts to move slightly during operation. The curved tooth geometry enables the gear teeth to slide along each other while maintaining torque transmission. На поведение контакта зубьев внутри зубчатой ​​муфты влияют несколько инженерных факторов, включая диаметр делителя, угол давления, модуль зуба и качество поверхности. Эти параметры тщательно подбираются для обеспечения оптимального распределения нагрузки на зубья шестерни. relationship between transmitted torque and the forces acting on the gear teeth can be represented by the following mechanical relationship. В этом выражении крутящий момент создается тангенциальной силой, действующей на определенном радиусе от центра вращения. В зубчатой ​​муфте зубья шестерни образуют контактные поверхности, на которых тангенциальная сила передается между вращающимися компонентами. Правильная геометрия зубьев гарантирует, что тангенциальная сила распределяется по нескольким зубьям одновременно. Такое многозубчатое зацепление позволяет зубчатым муфтам передавать значительно более высокий крутящий момент по сравнению со многими другими конструкциями гибких муфт. Уплотнения зубчатой муфты и система удержания смазки Смазка играет решающую роль в работе зубчатых муфт, поскольку зацепляющиеся зубья шестерни во время вращения испытывают как качение, так и скольжение. Без эффективной смазки трение между зубьями шестерни может привести к чрезмерному износу, перегреву и преждевременному выходу из строя. Для обеспечения надлежащей смазки зубчатые муфты оснащены системы уплотнения которые удерживают смазку или масло внутри узла муфты, предотвращая при этом попадание загрязнений. Эти уплотнения обычно устанавливаются на границе между втулкой и ступицей. Общие типы уплотнений, используемые в зубчатых муфтах, включают резиновые манжетные уплотнения, кольцевые уплотнения, лабиринтные уплотнения и металлические стопорные кольца. Каждый метод уплотнения выбирается в зависимости от условий эксплуатации, таких как скорость вращения, диапазон температур, воздействие окружающей среды и интервалы технического обслуживания. Резиновые манжетные уплотнения широко используются в среднескоростном промышленном оборудовании, поскольку они обеспечивают надежное удержание смазки и эффективную защиту от загрязнений. В условиях высоких температур или тяжелых условий эксплуатации можно использовать специальные уплотнительные материалы, устойчивые к химическому воздействию или термическому разложению. lubrication system inside the gear coupling ensures that a protective film of lubricant remains between the contacting gear tooth surfaces. This lubricant film reduces friction and dissipates heat generated during torque transmission. Консистентная смазка обычно используется для муфт с низкой и средней скоростью, поскольку ее легче удерживать внутри корпуса муфты. Масляную смазку можно использовать в высокоскоростных зубчатых муфтах, где требуется улучшенный отвод тепла и циркуляция жидкости. Периодическое техническое обслуживание смазки необходимо для обеспечения стабильной работы зубчатой ​​муфты. Со временем смазочные материалы могут ухудшиться из-за температурного воздействия, загрязнения или механического разрушения. Долив или замена смазки помогает поддерживать оптимальные условия эксплуатации зубьев шестерни. Каковы основные преимущества зубчатой ​​муфты по сравнению с другими муфтами? В промышленных системах передачи энергии выбор правильного типа муфты напрямую влияет на эффективность, надежность и срок службы оборудования. А Зубчатая муфта широко признано как одно из самых надежных и высокопроизводительных соединительных решений для тяжелых условий эксплуатации. Зубчатые муфты предназначены для соединения двух вращающихся валов при передаче высоких крутящих моментов, компенсации перекоса валов и сохранении стабильных механических характеристик в сложных условиях эксплуатации. По сравнению со многими другими типами муфт, используемыми в промышленном оборудовании, такими как Челюстная муфта , Сетевая муфта и Фланцевая муфта — зубчатые муфты обладают рядом технических преимуществ, связанных с допустимым крутящим моментом, распределением нагрузки, допуском на перекос, долговечностью и механической надежностью. Эти преимущества делают зубчатые муфты особенно подходящими для тяжелых промышленных условий, таких как горнодобывающее оборудование, сталелитейные заводы, морские силовые установки, электростанции и приводы больших компрессоров. Высокая мощность передачи крутящего момента зубчатой муфты Одним из наиболее значительных преимуществ зубчатой муфты является ее исключительная способность передачи крутящего момента. Зубчатые муфты специально разработаны для выдерживания чрезвычайно высоких крутящих моментов по сравнению со многими другими типами гибких муфт, используемых в системах механической передачи энергии. torque transmission capability of a coupling is largely determined by the contact area through which rotational force is transferred. In a gear coupling, torque is transmitted through the meshing interaction of multiple gear teeth between the hubs and the sleeve. Unlike elastomeric couplings or simple rigid couplings, gear couplings distribute the transmitted load across several gear teeth simultaneously. This multi-tooth engagement dramatically increases the load-bearing capacity of the coupling. mechanical relationship between transmitted torque and tangential force can be represented as: В этом отношении крутящий момент создается, когда тангенциальная сила действует на определенном радиусе от оси вращения. В узле зубчатой ​​муфты эта касательная сила передается через контактные поверхности зубьев шестерни, расположенные вокруг делительного диаметра муфты. Поскольку нагрузку одновременно распределяют несколько зубьев шестерни, нагрузка, действующая на каждый отдельный зуб, значительно снижается. Такой распределенный путь нагрузки позволяет зубчатым муфтам передавать гораздо более высокие уровни крутящего момента, не превышая допустимых пределов напряжения материала. В результате зубчатые муфты обычно используются в системах привода большой мощности, где крутящие нагрузки значительны и требуется непрерывная работа. В больших промышленных двигателях, паровых турбинах и мощных насосах часто используются зубчатые муфты для соединения приводного оборудования с приводным механизмом. В этих приложениях уровни крутящего момента могут достигать тысяч или даже миллионов Ньютон-метров. Структурная прочность компонентов зубчатой ​​муфты позволяет им сохранять надежную работу при экстремальных механических нагрузках. Напротив, в муфтах на основе эластомера, таких как кулачковые муфты, для передачи крутящего момента используются гибкие резиновые элементы. Хотя эти муфты обеспечивают превосходное гашение вибрации, их крутящий момент ограничен механическими свойствами эластомерного материала. Высокие крутящие нагрузки могут вызвать деформацию или выход из строя эластомеров, что делает их непригодными для тяжелых условий эксплуатации. Жесткие муфты, такие как фланцевые муфты, могут передавать высокий крутящий момент, но не допускают несоосности валов. Любое несоосность может вызвать значительную нагрузку на валы и подшипники. Зубчатые муфты обеспечивают высокий крутящий момент и контролируемую гибкость, что делает их более подходящими для сложных промышленных систем. Превосходная возможность компенсации несоосности зубчатой муфты Аnother key advantage of gear couplings is their ability to accommodate shaft misalignment while maintaining efficient torque transmission. In real industrial installations, achieving perfect alignment between two rotating shafts is extremely difficult due to installation tolerances, foundation settling, thermal expansion, and structural deflection. Зубчатые муфты разработаны с корончатые зубья шестерни , которые позволяют муфте компенсировать угловое смещение между соединяемыми валами. Профиль зуба в форме короны позволяет точке контакта между зацепляющимися зубьями смещаться вдоль изогнутой поверхности, когда валы отклоняются от идеального выравнивания. Такая геометрия предотвращает нагрузку на кромки и обеспечивает плавную передачу крутящего момента. Аngular misalignment occurs when the axes of two shafts intersect at a slight angle rather than forming a perfectly straight line. Gear couplings can typically accommodate angular misalignment ranging from approximately 0.5 degrees to 1.5 degrees depending on the specific design and size of the coupling. Помимо углового смещения, зубчатые муфты также могут выдерживать ограниченное параллельное смещение и осевое смещение. Параллельное смещение возникает, когда валы остаются параллельными, но их осевые линии смещены. Осевое смещение возникает, когда расстояние между валами изменяется во время работы из-за теплового расширения или изменения нагрузки. Многие промышленные машины во время работы испытывают постоянные температурные колебания. По мере повышения температуры валы расширяются, и относительное положение подключенного оборудования может незначительно смещаться. Зубчатые муфты позволяют этому движению происходить без передачи чрезмерной нагрузки на подключенное оборудование. Гибкие муфты, такие как Сетевая муфта также в некоторой степени компенсируют перекос, но их допуск на перекос может быть ниже, чем у зубчатых муфт при передаче высоких крутящих моментов. В решетчатых муфтах используются пружинные элементы, которые изгибаются под нагрузкой, тогда как зубчатые муфты поддерживают жесткий механический контакт через закаленные зубья шестерни. Жесткие соединения, такие как Фланцевая муфта вообще не терпит несовпадений. Даже незначительное смещение жесткой муфты может привести к чрезмерным нагрузкам на подшипники, изгибу вала, вибрации и преждевременному выходу оборудования из строя. Зубчатые муфты устраняют многие из этих рисков, обеспечивая контролируемую механическую гибкость. Длительный срок службы и высокая механическая прочность зубчатой муфты Зубчатые муфты рассчитаны на длительный срок эксплуатации в тяжелых промышленных условиях. Их долговечность во многом обусловлена ​​материалами, использованными в их конструкции, процессами термообработки зубьев шестерен и системами смазки, защищающими контактирующие поверхности. Большинство компонентов зубчатых муфт изготавливаются из высокопрочных легированных сталей, таких как хромомолибденовая сталь или никелевая легированная сталь. Эти материалы обладают превосходной механической прочностью, усталостной прочностью и износостойкостью. После механической обработки зубья шестерен обычно подвергаются термообработке с использованием таких процессов, как цементация или индукционная закалка. Эти обработки создают упрочненный поверхностный слой, который противостоит износу, сохраняя при этом прочную внутреннюю сердцевину, поглощающую механические удары. В процессе работы зубья зацепляющихся шестерен испытывают как качение, так и скользящее соприкосновение. Смазка играет решающую роль в предотвращении чрезмерного трения между этими поверхностями. Зубчатые муфты оснащены смазочными камерами, содержащими смазку или масло для сохранения защитной пленки между зубьями шестерен. lubricant reduces friction, dissipates heat, and prevents metal-to-metal contact that could cause surface damage such as scoring, pitting, or galling. Proper lubrication significantly extends the service life of the gear coupling components. По сравнению с эластомерными муфтами, в которых используются гибкие полимерные материалы, которые со временем разрушаются, зубчатые муфты сохраняют постоянные механические свойства на протяжении всего срока службы. Эластомерные элементы могут затвердеть, растрескаться или потерять эластичность из-за температурного воздействия, химического загрязнения или механической усталости. Зубчатые муфты не используют эластомерные компоненты для передачи крутящего момента, что позволяет им надежно работать в суровых промышленных условиях. Отрасли тяжелой промышленности, такие как производство стали, горнодобывающая промышленность и морские двигательные установки, часто требуют непрерывной работы под высокими нагрузками. В таких условиях простой оборудования может стоить чрезвычайно дорого. Длительный срок службы и долговечность зубчатых муфт делают их предпочтительным решением для обеспечения надежной работы в таких сложных условиях. Эффективное распределение нагрузки и устойчивость к ударным нагрузкам зубчатой муфты Аnother important advantage of gear couplings is their ability to distribute loads efficiently across multiple contact points. When torque is transmitted through the coupling, several gear teeth engage simultaneously along the circumference of the coupling interface. This multi-point load distribution reduces the stress experienced by each individual tooth. even distribution of mechanical load helps prevent localized stress concentrations that could lead to premature component failure. By sharing the transmitted force across multiple gear teeth, the coupling can safely handle both steady loads and sudden shock loads. Ударные нагрузки возникают, когда в систему вводятся резкие изменения крутящего момента. Эти нагрузки могут возникнуть в результате быстрого ускорения, внезапного торможения, ударных сил или нарушений технологических процессов в приводимом оборудовании. Зубчатые муфты способны воспринимать эти нагрузки без структурных повреждений благодаря прочности зубьев шестерен и распределенному пути нагрузки. Промышленное оборудование, такое как дробилки, прокатные станы и поршневые компрессоры, часто генерирует переменные крутящие нагрузки. Механическая прочность зубчатых муфт позволяет им сохранять стабильную работу в таких динамических условиях. Напротив, эластомерные муфты поглощают ударные нагрузки за счет деформации гибких элементов. Хотя этот подход обеспечивает гашение вибрации, повторяющиеся ударные нагрузки могут вызвать усталость или разрыв эластомерного материала. Зубчатые муфты состоят из закаленных металлических компонентов, которые могут выдерживать повторяющиеся циклы нагрузки без существенного ухудшения качества. combination of strong materials, multi-tooth load distribution, and controlled lubrication allows gear couplings to operate reliably under both steady-state and dynamic loading conditions. This capability is particularly valuable in heavy industrial machinery where load fluctuations are common and mechanical reliability is essential. *]:pointer-events-auto scroll-mt-(--header-height)" data-scroll-anchor="false" data-testid="conversation-turn-11" data-turn="user" data-turn-id="958b910e-12b8-4ac1-94fd-4a0fa8afcda6" dir="auto" tabindex="-1"> *]:pointer-events-auto scroll-mt-[calc(var(--header-height) min(200px,max(70px,20svh)))]" data-scroll-anchor="true" data-testid="conversation-turn-12" data-turn="assistant" data-turn-id="request-WEB:26825dea-41d5-4641-9198-b9f6153842d5-5" dir="auto" tabindex="-1"> Где в промышленности обычно используется зубчатая муфта? Зубчатая муфта широко используется во многих отраслях промышленности, где требуется передача высокого крутящего момента, компенсация смещения вала и длительный срок службы. В современных промышленных системах передачи энергии вращающееся оборудование часто работает при больших нагрузках, изменяющемся крутящем моменте и суровых условиях окружающей среды. Зубчатые муфты обеспечивают прочное механическое соединение между приводным оборудованием и ведомыми механизмами, сохраняя при этом эффективную передачу мощности. Промышленные применения часто включают в себя большие электродвигатели, турбины, дизельные двигатели и гидравлические приводы, передающие мощность на компрессоры, насосы, конвейеры, дробилки и различное технологическое оборудование. Зубчатые муфты служат интерфейсом, соединяющим эти машины, обеспечивая при этом стабильную механическую работу. Их конструкция позволяет им выдерживать большие крутящие нагрузки, компенсировать незначительное смещение валов и надежно работать в условиях высоких температур, высокой вибрации или запыленности. Из-за этих характеристик зубчатые муфты обычно используются в таких отраслях, как производство стали, горнодобывающая промышленность, производство электроэнергии, судоходство, производство цемента и нефтехимическая переработка. В каждой из этих отраслей возникают уникальные механические проблемы, требующие решений в области муфт, способных поддерживать постоянную передачу крутящего момента и механическую стабильность. Зубчатая муфта Applications In Steel And Metallurgical Industries steel and metallurgical industries represent one of the most demanding operating environments for mechanical power transmission systems. Steel production facilities rely on large-scale machinery such as rolling mills, blast furnace equipment, continuous casting machines, and slab handling conveyors. These machines operate under extremely high loads and often experience significant torque fluctuations during production processes. Зубчатые муфты часто используются для соединения мощных электродвигателей или турбин с приводами прокатных станов. Прокатные станы требуют точного контроля крутящего момента при обработке стальных слябов при высоких температурах и высоком механическом давлении. Механические нагрузки, возникающие при прокатке, могут быть чрезвычайно высокими, и муфта, соединяющая двигатель с редуктором прокатного стана, должна безотказно передавать этот крутящий момент. В системе прокатного стана большой двигатель приводит в движение редуктор, который передает вращательное движение прокатным цилиндрам. Зубчатые муфты обычно устанавливаются между двигателем и коробкой передач, а также между коробкой передач и прокатным оборудованием. Их высокий крутящий момент позволяет им передавать мощность, необходимую для деформации стальных заготовок или слябов, сохраняя при этом стабильное механическое зацепление. environment inside steel plants often includes elevated temperatures, metal dust, and continuous vibration generated by heavy machinery. Gear couplings are designed with hardened steel gear teeth and sealed lubrication systems that allow them to operate reliably in such conditions. The internal lubrication chamber protects the gear tooth surfaces from excessive wear, while the sealed structure prevents contaminants from entering the coupling assembly. Машины непрерывного литья заготовок, используемые в производстве стали, также используют зубчатые муфты для соединения нескольких приводов. Эти машины транспортируют расплавленную сталь через контролируемые зоны охлаждения для формирования твердых слябов. Системы механического привода, управляющие конвейерными роликами, должны поддерживать синхронизированное движение, чтобы обеспечить стабильное качество отливки. Зубчатые муфты обеспечивают надежную передачу крутящего момента, необходимую для синхронной работы. Помимо прокатных станов и литейных машин, зубчатые муфты также используются в конвейерах сталелитейных заводов, загрузочном оборудовании печей и системах транспортировки шлака. Эти машины часто испытывают большие ударные нагрузки при работе с сырьем или готовой стальной продукцией, что делает зубчатые муфты подходящим выбором из-за их способности распределять нагрузки между несколькими зубьями шестерен. Зубчатая муфта Applications In Mining And Mineral Processing Equipment В горнодобывающих операциях используются крупные механические системы, предназначенные для добычи, транспортировки и переработки минерального сырья. Оборудование, используемое в горнодобывающей промышленности, часто работает при чрезвычайно высоких нагрузках, подвергаясь воздействию пыли, вибрации, влаги и абразивных частиц. Зубчатые муфты обычно устанавливаются в горнодобывающей технике, такой как дробилки, мельницы, роторные экскаваторы и системы привода конвейеров. Для этих машин требуются соединительные решения, способные выдерживать нагрузки с высоким крутящим моментом и частые ударные нагрузки. Дробильное оборудование, используемое при добыче полезных ископаемых, разбивает крупные породы на более мелкие фрагменты для дальнейшей переработки. Дробилки создают высокие ударные силы, сжимая и разрушая горные породы. Системы привода дробилок обычно включают в себя большие электродвигатели, соединенные с редукторами через зубчатые муфты. Эти муфты должны передавать высокий крутящий момент, одновременно поглощая механические удары, возникающие во время циклов дробления. mechanical torque required to drive grinding mills can be extremely large, especially in large-scale mining operations. Gear couplings provide the high torque capacity necessary to connect the mill motor to the gearbox or pinion gear system that drives the mill rotation. Горнодобывающая среда обычно характеризуется высоким уровнем пыли и абразивных частиц. Зубчатые муфты, используемые в таких средах, часто включают усовершенствованные системы уплотнений, которые предотвращают попадание загрязнений в смазочную камеру. Такая защита уплотнением помогает продлить срок службы компонентов муфты и снизить требования к техническому обслуживанию. Ссылки/Источники Техническое руководство по зубчатым муфтам Lovejoy, Inc. Даунерс-Гроув, Иллинойс: Инженерная документация Лавджоя, 2022 г. Корпорация Рекснорд. Руководство по выбору и применению зубчатых муфт. Милуоки, Висконсин: Rexnord Industrial Power Transmission, 2021 г. Додж Индастриал. Справочник по механической передаче энергии. Гринвилл, Южная Каролина: Публикации Dodge Industrial Engineering, 2020. Будинас Р.Г. и Нисбетт Дж.К. Проект машиностроения Шигли. 11-е изд. Нью-Йорк: McGraw-Hill Education, 2020. Блох, Х.П., и Гайтнер, Ф.К. Анализ отказов оборудования и устранение неисправностей. 4-е изд. Хьюстон: Gulf Professional Publishing, 2012.
  • 2026.01.09
    Головка вилки универсального шарнира с торцевой шестерней может обеспечить двойное улучшение производительности и качества
    Универсальный шарнир торцевой шестерни, поставленный нашей компанией недавно. Это ключевой компонент передачи. Сердечник реализует передачу крутящего момента посредством зацепления торцевых шестерен. Он отличается удобной установкой и разборкой, стабильной трансмиссией, большим крутящим моментом и может компенсировать угловое смещение между двумя осями. Он широко применяется в системах трансмиссии легкого и тяжелого грузового оборудования, такого как новые энергетические транспортные средства, высокотехнологичная строительная техника и прокатные станы. По всем вопросам обращайтесь к нам по мобильному телефону/WhatsApp/Wechat: 86 15106109009
  • 2025.12.27
    Комбинация сцеплений и муфт
    Изучите уникальное сочетание сцеплений и муфт. Такое сочетание обеспечивает расширенные функциональные возможности систем передачи электроэнергии. Идеально подходит для различных промышленных применений, обеспечивает плавную работу, эффективную передачу крутящего момента и надежную работу. Узнайте, как синергия между сцеплениями и муфтами может оптимизировать функциональность вашего оборудования и повысить производительность.
  • 2025.12.19
    Основное преимущество использования поковок вместо отливок для хомутов карданных шарниров
    Основное преимущество использования поковок вместо отливок для хомутов карданных шарниров заключается в их более плотной внутренней структуре и механических свойствах, которые позволяют лучше адаптироваться к сложным напряженным условиям при передаче крутящего момента карданным шарниром. Более сильные механические свойства Ковка измельчает металлические зерна посредством пластической деформации и выравнивает поток зерен с направлением напряжения. В результате поковки имеют гораздо более высокую прочность на растяжение, предел текучести и ударную вязкость, чем отливки, и менее склонны к разрушению при знакопеременных нагрузках. Меньше внутренних дефектов Отливки подвержены таким дефектам, как отверстия для выдувания, усадочные полости и песчаные включения, а ковка может устранить такие проблемы, как рыхлость и пористость сырья, улучшая структурную целостность и надежность ярма. Лучшая устойчивость к усталости В процессе эксплуатации универсальные шарниры подвергаются многократным угловым колебаниям и крутящим ударам. Однородная структура поковок обеспечивает им значительно большую усталостную долговечность, чем отливкам, тем самым продлевая общий срок службы универсального шарнира. Универсальная ковочная вилочная головка вала, производимая нашей компанией, имеет производительность. Если вы заинтересованы, пожалуйста, свяжитесь с нами. Вы можете связаться с нами через WhatsApp по телефону 86 15106109009 или по электронной почте [email protected] .
  • 2025.12.12
    Каков общий допуск вала двигателя и муфты
    Допуски вала двигателя и муфты обычно контролируются в диапазоне от 0,01 мм до 0,05 мм, что находится в пределах нормы. На конкретные значения допусков влияют точность изготовления деталей и технология сборки, а также такие факторы, как тепловое расширение и сжатие материала вала при вращении. Вал двигателя и муфта являются важнейшими соединительными компонентами механического оборудования. Соответствие допусков между ними напрямую влияет на эффективность работы и срок службы оборудования. Итак, каковы типичные допуски для вала двигателя и муфты? Я. Общий диапазон толерантности Допуск между валом двигателя и муфтой в основном зависит от точности изготовления деталей и технологии сборки. В целом нормальным считается допуск в диапазоне от 0,01 мм до 0,05 мм. Такой диапазон обеспечивает плотное прилегание вала к муфте, снижает износ и повышает эффективность трансмиссии. II. Факторы, влияющие на толерантностьII. Факторы, влияющие на толерантность 1. Точность изготовления компонентов: В процессе изготовления вала двигателя и муфты на точность размеров будут влиять различные факторы, такие как технологическое оборудование, методы производства и свойства материала. Чем выше точность изготовления, тем меньше диапазон допусков и выше точность сопряжения. 2. Технология сборки: В процессе сборки также решающее значение имеет обеспечение правильного сопряжения вала и муфты. Соответствующие методы и приемы сборки могут гарантировать, что допуски останутся под контролем, тем самым улучшая общую производительность оборудования. III. Общие стандарты допуска для соответствия В практических приложениях допуск соответствия между валом двигателя и муфтой также выбирается на основе конкретных требований и условий использования. Например, общие стандарты допусков включают H7/d6, H7/D7 и H7/C9 и т. д. Эти стандарты соответственно применимы к различным требованиям к точности и скорости вращения соединительных соединений, гарантируя, что посадка с натягом или посадка с зазором между валом и отверстием соответствует проектным требованиям. IV. Важность правильного выбора толерантности Правильный выбор допуска согласования между валом двигателя и муфтой имеет большое значение для повышения точности, стабильности и срока службы оборудования. Слишком плотная посадка может вызвать трудности при сборке, повышенный износ и даже поломку вала; в то время как слишком свободная посадка может привести к неравномерной передаче крутящего момента, повышенной вибрации и снижению эффективности уплотнения. Поэтому при выборе допуска следует комплексно учитывать различные факторы, чтобы обеспечить оптимальную работу оборудования.
Заводское оборудование
ЭКСКУРСИЯ ПО ЗАВОДУ